Продукция

© 2016 — 2025. Группа компаний «КАСТОМ»

НАЗАД

Модуль последовательных интерфейсов «K15.SCM»

Доступен для заказа
  • Длительный срок службы

  • Модульная конструкция

  • Расширенный диапазон температур

Наличие: доступен для заказа

Гарантия: 36 месяцев

При размещении заказа от 30 комплектов расчет скидки от базовых цен оговаривается дополнительно.

Предоставление тестовых образцов для проведения опытных испытаний.

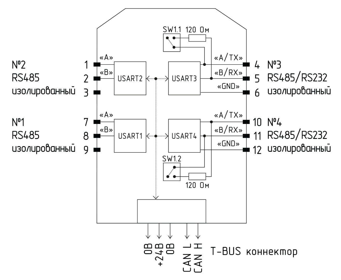
Модуль последовательных интерфейсов серии «K15.SCM» применяется совместно с процессорными модулями для увеличения количества последовательных интерфейсов RS-485 и/или RS-232.
ТЕХНИЧЕСКИЕ ХАРАКТЕРИСТИКИ:
Максимальное количество подключаемых модулей на одну шину CAN 8 шт.
Гальваническая изоляция Индивидуальная
Подключаемые согласующие резисторы 120 Ом на лицевой панели 2 шт.
Коммуникационные характеристики:
Kоличество каналов RS-485 2 шт.
Kоличество комбинированных каналов RS-485/RS-232 2 шт.
Максимальная скорость обмена по интерфейсу RS-485, бит/сек 115 200
Протокол обмена Modbus RTU
Индикация приема/передачи RS485
Интерфейс связи с процессорным модулем CAN
Индикаторы состояния (Status, Run, Fault)
Электрические характеристики:
Напряжение питания 24 В ±20%
Потребляемая мощность, не более 3 Вт
Условия эксплуатации:
Tемпература от -40 до +60 °C
Влажность от 10 до 90 %
Механические характеристики:
Размеры (Д х Ш х В) 108х17,5х114 мм
Масса, не более 400 грамм
Cтепень защиты корпуса IP20
Kрепление DIN-рейка 35 мм
уточнить наличие и стоимость

НАПИШИТЕ НАМ, ЕСЛИ У ВАС ЕСТЬ ВОПРОСЫ

Заполните форму, наш менеджер свяжется с вами и ответит на ваши вопросы

ПРИСОЕДИНЯЙТЕСЬ В НАШ TELEGRAM-КАНАЛ

ПРИСОЕДИНЯЙТЕСЬ В НАШ
TG-КАНАЛ

ЭТОТ САЙТ ИСПОЛЬЗУЕТ COOKIE

для хранения данных. Продолжая использовать сайт, вы даете согласие на обработку персональных данных в соотвествии с политикой конфиденциальности