Продукция

© 2016 — 2025. Группа компаний «КАСТОМ»

НАЗАД

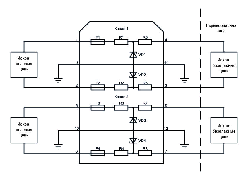
Барьер искрозащиты «К15-БИЗ-2690b»

Доступен для заказа
Барьер предназначен для обеспечения искробезопасности электрических цепей устройств, устанавливаемых во взрывоопасных зонах помещений и наружных установок. Барьер является двухканальным изделием и имеет маркировку взрывозащиты [Ех ib Gb] IIB/IIC.
Параметры искробезопасных цепей:
Значение параметра для группы IIB для группы IIC
Маркировка взрывозащиты [Ех iа Ga] IIB/IIC [Ех iа Ga] IIB/IIC
Максимальное входное напряжение Um, В 250 250
Максимальное выходное напряжение UO, В 27,2 27,2
Максимальный выходной ток IO, мА 90 90
Максимальная выходная мощность, POВт 2,34 2,34
Максимальная внешняя емкость, COмкФ 0,2 0,09
Максимальная внешняя индуктивность, LOмГн 2 4
Примечание максимальное входное напряжение Umэто максимальное напряжение, которое может быть приложено ко входу барьера без нарушения взрывозащиты.
Основные технические характеристики:
Максимальное рабочее напряжение на входе (между клеммами 1-2, 1-5 или 2-5), В 22
Ток утечки при максимальном рабочем напряжении на входе, не более, мкА   100
Номинальный ток предохранителя, мА   80
Сопротивление цепи между входом и выходом (между клеммами 1-4, 2-3, 5-8 или 6-7), не более, Ом 185
Суммарное сопротивление канала барьера, не более, Ом 370
Примечание превышение максимального рабочего напряжения на входе барьера может привести к выходу барьера из строя.
Механические характеристики:
Размеры (Д х Ш х В) 108х12,6х114 мм
Вес, грамм 120
Степень защиты корпуса IP20
Крепление DIN-рейка 35 мм
Условия эксплуатации:
Температура эксплуатации от -40 до +60 °С
Относительная влажность От 10 до 90 %, без конденсации
уточнить наличие и стоимость

НАПИШИТЕ НАМ, ЕСЛИ У ВАС ЕСТЬ ВОПРОСЫ

Заполните форму, наш менеджер свяжется с вами и ответит на ваши вопросы

ПРИСОЕДИНЯЙТЕСЬ В НАШ TELEGRAM-КАНАЛ

ПРИСОЕДИНЯЙТЕСЬ В НАШ
TG-КАНАЛ

ЭТОТ САЙТ ИСПОЛЬЗУЕТ COOKIE

для хранения данных. Продолжая использовать сайт, вы даете согласие на обработку персональных данных в соотвествии с политикой конфиденциальности